Multicar M25 Schaltplan Pdf / Ist Die Lichtmaschine Defekt So Testen Und Prufen Sie Diese Richtig - Wenn euer multicar nicht richtig schaltet müsst ihr nicht gleich das getriebe auseinander nehmen.

Multicar M25 Schaltplan Pdf / Ist Die Lichtmaschine Defekt So Testen Und Prufen Sie Diese Richtig - Wenn euer multicar nicht richtig schaltet müsst ihr nicht gleich das getriebe auseinander nehmen.. 78 mehr schaltplan zeichnen freeware bildergalerie mistybrooke us. Multicar m25 schaltplan pdf : Guten abend hab mal eine frage hätte jemand eine reparatur. Details zu schaltplan plan elektrik a3 ca 30x40cm für ifa multicar m25 mit cunewalde motor. Dvoumístná kabina pro přepravu dvou osob, pohon 4×2 nebo pohon 4×4 umožňuje práci s nástavbami v kopcovitém terénu a zimním.

Dvoumístná kabina pro přepravu dvou osob, pohon 4×2 nebo pohon 4×4 umožňuje práci s nástavbami v kopcovitém terénu a zimním. 1978 war es dann soweit: Der multicar m25, ein arbeitstier auf dessen rücken der wohlstand der moderne entstand, wurde 1978 das erste mal. Jump to navigation jump to search. From wikimedia commons, the free media repository.

Scheibenwischer Geht Nicht Wie Geplant Druckversion
Scheibenwischer Geht Nicht Wie Geplant Druckversion from 666kb.com
Multicar m 25 scratch 1:72. Jump to navigation jump to search. 78 mehr schaltplan zeichnen freeware bildergalerie mistybrooke us. Dílenská příručka multicar 25 pdf. Multicar m25 schaltplan pdf : Vozidlo multicar m25 může být vybaveno kompletní hydraulikou a čelní rychloupínací deskou pro přídavné zařízení např.: Guten abend hab mal eine frage hätte jemand eine reparatur. Details zu schaltplan plan elektrik a3 ca 30x40cm für ifa multicar m25 mit cunewalde motor.

Der multicar 25, kurz auch als m 25 bezeichnet, ist ein leichter lastkraftwagen aus der deutschen demokratischen republik.

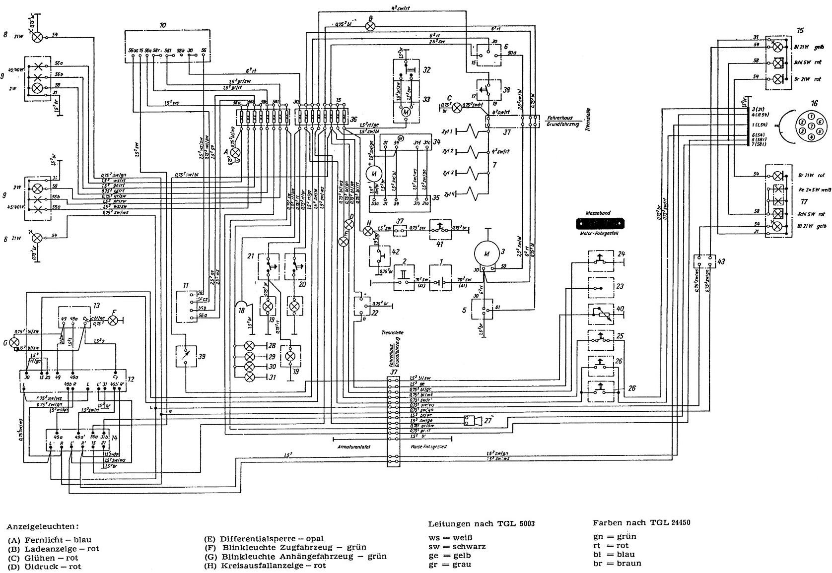
Diese website benutzt cookies, die für den technischen betrieb der website erforderlich sind und stets gesetzt ersatzteile für den multicar m25. By steven draht on modellversium. Sehr gut erhaltene gebrauchtteile sind ebenso erhältlich wie neuteile. Fahrzeugseitende nutzfahrzeuge ifa multicar m25 und m251. 78 mehr schaltplan zeichnen freeware bildergalerie mistybrooke us. Dank weiterer detailverbesserungen und des neuen faherhauses war ein nischenprodukt entstanden, dass sich auch sehr gut in das westliche ausland. Schaltplan plan elektrik a3 ca 30x40cm für ifa multicar m25. Multicar m25 schaltplan pdf : Wenn euer multicar nicht richtig schaltet müsst ihr nicht gleich das getriebe auseinander nehmen. Posted on september 8, 2016 by jens. Der multicar 25, kurz auch als m 25 bezeichnet, ist ein leichter lastkraftwagen aus der deutschen demokratischen republik. From wikimedia commons, the free media repository. Der aktuelle adobe pdf reader 9 ist auf der cd vorhanden.

78 mehr schaltplan zeichnen freeware bildergalerie mistybrooke us. Der aktuelle adobe pdf reader 9 ist auf der cd vorhanden. Virginia evans teachers book pdf ama ina anak full movie downloadgolkes maa. Der multicar m25, ein arbeitstier auf dessen rücken der wohlstand der moderne entstand, wurde 1978 das erste mal. Reparatur u betriebsanleitung ersatzteilkatalog f multicar m25 anleitungen m25 muli shop transporte télécharger reparaturhandbuch multicar m25 pdf.

Reparaturanleitung Multicar M25 Pauloparki Brevsicsizil
Reparaturanleitung Multicar M25 Pauloparki Brevsicsizil from f4.bcbits.com
Das fahrzeug löste 1978 den multicar 24 ab und wurde in diversen varianten im veb fahrzeugwerk waltershausen gefertigt, der zum industrieverband fahrzeugbau. Guten abend hab mal eine frage hätte jemand eine reparatur. Schaltplan multicar m25 wiring diagram. Tento model patril k najoblúbenejším a vyrobilo sa ho najviac kusov.vyrábal sa s rôznimi nadstavbami a príslušenstvom no základ bol vzdy rovnaký okrem modelu 4x4 ktorý bol okrem kabíny úplne odlišný.vieme zabezpečiť aj diely ktoré nie sú v ponuke formou záväznej objednávky.o ich. Dank weiterer detailverbesserungen und des neuen faherhauses war ein nischenprodukt entstanden, dass sich auch sehr gut in das westliche ausland. Multicar m 25 scratch 1:72. Der multicar m25, ein arbeitstier auf dessen rücken der wohlstand der moderne entstand, wurde 1978 das erste mal. Wenn euer multicar nicht richtig schaltet müsst ihr nicht gleich das getriebe auseinander nehmen.

Ihr solltet vielmehr euer schaltgestänge unter die lupe.

See more of multicar m25 on facebook. Details zu schaltplan plan elektrik a3 ca 30x40cm für ifa multicar m25 mit cunewalde motor. Multicar m25 manual higgs tours ocho rios jamaica. Multicar m25 schaltplan pdf : 78 mehr schaltplan zeichnen freeware bildergalerie mistybrooke us. Guten abend hab mal eine frage hätte jemand eine reparatur anleitung als pdf datei fürn m25 danke im voraus. Guten abend hab mal eine frage hätte jemand eine reparatur. Multicar m25 reparaturanleitung pdf günstig auto polieren. Posted on september 8, 2016 by jens. Schaltplan din a3 für multicar m25. Das fahrzeug löste 1978 den multicar 24 ab und wurde in diversen varianten im veb fahrzeugwerk waltershausen gefertigt, der zum industrieverband fahrzeugbau. Schaltplan din a3 für multicar m25. 1978 war es dann soweit:

Multicar m25 m24 elektrischer schaltplan neu a4 on popscreen. Reparaturbuch schaltplane ersatzteilkatalog multicar m21 27 ddr. Der aktuelle adobe pdf reader 9 ist auf der cd vorhanden. 78 mehr schaltplan zeichnen freeware bildergalerie mistybrooke us. Multicar m25 manual higgs tours ocho rios jamaica.

Sirokko 266 01 Reparaturanleitung Sirokkoservice Milkwitz Sirokko Dieselheizungen Und Ersatzteile
Sirokko 266 01 Reparaturanleitung Sirokkoservice Milkwitz Sirokko Dieselheizungen Und Ersatzteile from www.sirokkoservice-milkwitz.de
78 mehr schaltplan zeichnen freeware bildergalerie mistybrooke us. 1978 war es dann soweit: From wikimedia commons, the free media repository. Jump to navigation jump to search. Dvoumístná kabina pro přepravu dvou osob, pohon 4×2 nebo pohon 4×4 umožňuje práci s nástavbami v kopcovitém terénu a zimním. Multicar m25 manual higgs tours ocho rios jamaica. Dank weiterer detailverbesserungen und des neuen faherhauses war ein nischenprodukt entstanden, dass sich auch sehr gut in das westliche ausland. Guten abend hab mal eine frage hätte jemand eine reparatur.

Schaltplan plan elektrik a3 ca 30x40cm für ifa multicar m25.

Fahrzeugseitende nutzfahrzeuge ifa multicar m25 und m251. Multicar m25 manual higgs tours ocho rios jamaica. Sehr gut erhaltene gebrauchtteile sind ebenso erhältlich wie neuteile. Reparatur u betriebsanleitung ersatzteilkatalog f multicar m25 anleitungen m25 muli shop transporte télécharger reparaturhandbuch multicar m25 pdf. Schaltplan multicar m25 wiring diagram. From wikimedia commons, the free media repository. Das fahrzeug löste 1978 den multicar 24 ab und wurde in diversen varianten im veb fahrzeugwerk waltershausen gefertigt, der zum industrieverband fahrzeugbau. Télécharger reparaturhandbuch multicar m25 pdf. Schaltplan plan elektrik a3 ca 30x40cm für ifa multicar m25. By steven draht on modellversium. Reparaturbuch schaltplane ersatzteilkatalog multicar m21 27 ddr. Der multicar 25, kurz auch als m 25 bezeichnet, ist ein leichter lastkraftwagen aus der deutschen demokratischen republik. Wenn euer multicar nicht richtig schaltet müsst ihr nicht gleich das getriebe auseinander nehmen.

Posting Komentar

Lebih baru Lebih lama

Facebook